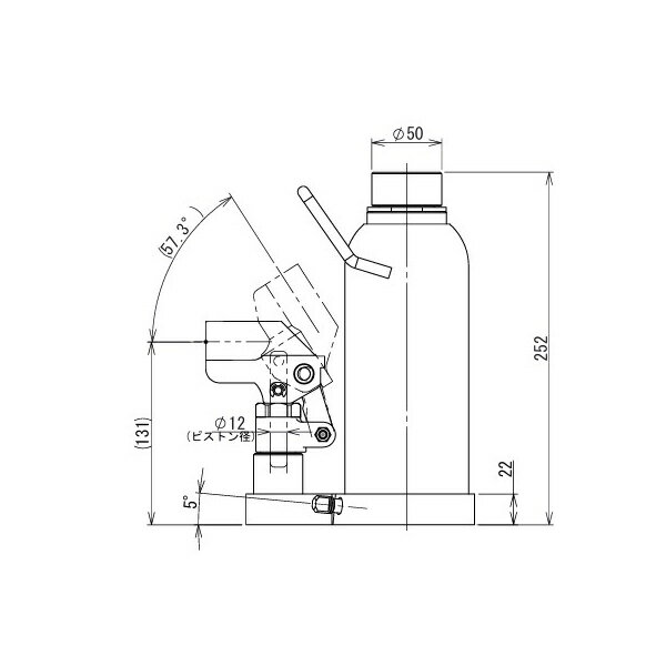
商品の特徴 今野製作所(EAGLE イーグル) ダルマジャッキ D-100(旧型式:ED-100) 許容荷重10tonの油圧ダルマジャッキです。 ■高い作業性 人間の力だけで10tonの重量物を持ち上げることが可能です。 180度回転する旋回式レバーソケットを備えているので、後方に障害物のある狭い場所でも、横からのポンプ操作が可能です。 ■信頼の安全性能 過負荷(オーバーロード)によるジャッキの破損を防ぐため、安全弁回路(リリーフ弁)を標準装備しています。 ジャッキの基本性能として高い余裕率をもった呼び荷重設定なので、レバー操作力が22.5kgfと少ない力によるジャッキ作業ができます。 付属の操作レバーは剛性があり、グリップ付きのため、押し込む力がしっかりとジャッキに伝わります。また二本つなぎのロック機構があるため、繋ぎ目が外れる心配がありません。 ■耐久性能とメンテナンス性 独自の厳しい基準で行われた『呼び荷重フルストーク繰返し試験』において、業界最高水準の性能評価を得ています。 吸込弁、吐出弁、過負荷防止の安全弁をユニット部品に集約、パッキン類の交換もやりやすく設計になっており、定期的なオーバーホールでオイル交換やパッキン交換等することにより、長期にわたってお使いいただけます。 -------- より安全に、作業をしやすく、そして丈夫で長持ち! D-100は、重量物を扱う専門機器として、イーグル独自の厳しい耐久基準で作られています。 過負荷防止のための安全弁、下降時の安全性を重視したテーパー型リリーズスクリュー。丈夫で安全、長持ち、そしてなにより安全重視の設計になっています。 操作性が軽いところもイーグルならではの特長です。 操作力とはジャッキに呼び荷重がかかった際、レバーを押し込む時に必要な力のこと。EAGLEジャッキのレバー操作力は、JIS規格が定める「35kgf以下」よりも約35%小さい「22.5kgf」となっています。 軽い操作力に加えて、さらに付属品のレバーハンドルにもこだわっています。2本つなぎ、3本つなぎのレバーハンドルが剛性不足な場合、ジャッキに作用させる力をしっかり受け止めることができず、「しなって」しまうことがあります。プロユースが前提のEAGLEは、レバーハンドルも剛性があり作業性も抜群です。 また、レバーソケットの工夫により、一般的な油圧ジャッキと比較して、1ポンプ操作あたりの揚程幅が大きいことも特長です。軽くて上がりやすい。効率的なジャッキ作業を実現しているのです。 製品仕様 許容荷重:10ton ストローク:130mm 本体高さ:252mm ベース幅:100mm ベース長さ:164mm ヘッドキャップ径:50mm 本体寸法(W×D×H):100×164×252mm 質量:8.2kg JANコード:4520187910047


