■SUNCO ステンHS(トガリ先 3×12 (30本入)〔品番:A0025020003001200030P〕【3721052:0】[送料別途見積り][掲外取寄][店頭受取不可]
| ショップ名 | レビュー数 |
|---|---|
| ホームセンターバロー 楽天市場店 | 0件 |
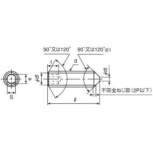
《メーカー》サンコーインダストリー(株)《品番》A0-02-5020-0030-0120-00-30《特長》《用途》《仕様》●寸法(mm)d:M3●寸法(mm)L:12●ねじ長さ(mm):12《仕様2》《原産国(名称)》日本《材質/仕上》●ステンレス(303、304、XM7等)●表面処理:生地(または標準)《セット内容/付属品》《注意》●簡易包装(袋又は箱)となります。●メーカー基準に基づく梱包形態となります。《JANコード》《本体質量》12.0g※こちらの商品は送料無料対象外です。※「送料無料」と表示されても別途送料が必要となりますのでご注意ください。SUNCO ステンHS(トガリ先 3×12 (30本入)〔品番:A0-02-5020-0030-0120-00-30〕[注番:3721052][本体質量:12.0g]《包装時基本サイズ:××》〔包装時質量:〕分類》金物・建築資材》ねじ・ボルト・ナット》六角穴付ボルト☆納期情報:取寄管理コード(005) メーカー直送品 (欠品の場合有り)


